時間:2024-03-27 08:15:36 點擊數:
導讀
介紹了提升機恒力矩安全制動系統中雙泵液壓站的工作原理和功能;分析了常用板式液動換向閥應用中存在的閥芯容易卡阻、彈簧使用壽命短等問題;設計了一種基于二通插裝閥的新型液動換向閥,并闡述了其原理;詳細說明了提升機雙泵液壓站中,新型液動換向閥的兩種設計和安裝方式。采用新型液動換向閥,簡化了閥組油路塊的油孔設計,使其壽命更長,安全可靠性更高。
礦井提升系統是礦山開采的關鍵設備,主要承擔全礦的煤炭、礦石、廢石等的提升任務,以及人員、設備、材料等的運送任務。液壓站是礦井提升機重要的安全和控制部件,它和盤形制動器組合成為一套完整的制動系統。
為提高制動系統的安全可靠性,液壓站通常設計有備用裝置。目前,提升機液壓站常用的備用裝置設計方案有以下 3 種。
(1) 雙泵液壓站 該方案中,1 套制動系統配置1 臺液壓站。液壓站上設計 2 套泵裝置+1 套液壓閥組,2 套泵裝置互為備用,1 套液壓閥組共用。當工作泵出現故障時,通過電控程序可實現備用泵的自動切換。
(2) 雙系統液壓站 該方案中,1 套制動系統配置 1 臺液壓站。液壓站上設計 2 套液壓系統,互為備用。當工作液壓系統出現故障時,通過人工調整出油口球閥及電控程序,可實現備用液壓系統的切換。
(3) 雙液壓站 該方案中,1 套制動系統配置 2臺完全相同的液壓站。每臺液壓站上設計 1 套完整的液壓系統,2 臺液壓站互為備用。當工作液壓站出現故障時,通過人工調整出油口球閥及電控程序,可實現備用液壓站的切換。
上述方案中,雙泵液壓站結構很簡單,備用裝置切換很方便,安裝空間很小,經濟成本很低;因此,在用戶對價格、安裝空間比較敏感的項目中,經常選用此方案。
雙泵液壓站中,2 套互為備用的泵裝置通過液動換向閥向 1 套共用的液壓閥組供油。為了保證泵裝置的可靠切換,液動換向閥需要具備可靠的性能。常用的板式液動換向閥,其安裝面上油孔眾多,閥組油路塊設計復雜,同時還存在液動換向閥閥芯容易卡阻、彈簧使用壽命短等問題,使用效果不佳。基于此,本研究提出一種基于二通插裝閥設計的新型液動換向閥。
1 雙泵液壓站
1.1 組成及工作原理
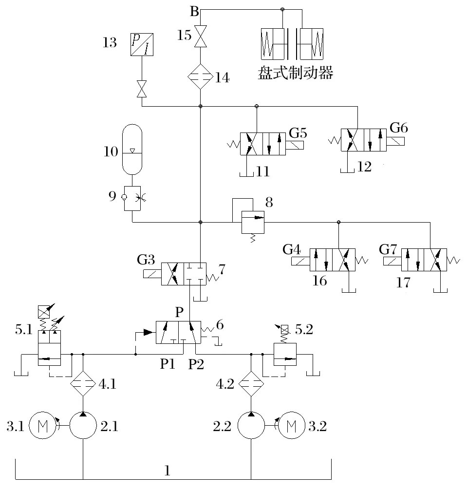
以中信重工生產的恒力矩安全制動雙泵液壓站為例,其原理如圖1 所示。雙泵液壓站由油箱 1、互為備用的 2 套泵裝置、1 套共用的液壓閥組組成。其中,泵裝置由液壓泵 2、電動機 3、過濾器 4、比例溢流閥 5 構成;液壓閥組由液動換向閥 6、電磁換向閥(7、11、12、16、17)、溢流閥 8、單向節流閥 9、蓄能器 10、壓力傳感器 13、過濾器 14、出油口球閥 15構成。連接管路將液壓站出油口 B 和盤式制動器連接。

圖1 雙泵液壓站工作原理
1.油箱;2.液壓泵;3.電動機;4,14.過濾器;5.比例溢流閥;6.液動換向閥;7,11,12,16,17.電磁換向閥;8.溢流閥;9.單向節流閥;10.蓄能器;13.壓力傳感器;15.球閥。
1.2 主要功能
1.2.1 工作制動
液壓站可以為盤式制動器提供不同油壓的壓力油,油壓的變化由電液比例溢流閥來調節。制動系統正常工作時,電動機 3.1 通電,電磁鐵 G3、G4、G5、G6、G7 得電,液壓泵 2.1 的壓力油經過過濾器4.1、液動換向閥 6、電磁換向閥 7、過濾器 14、球閥15 和出油口 B 進入盤式制動器。司機可以通過調節比例溢流閥 5.1 的比例電磁鐵,以控制電壓實現油壓的變化,從而達到調節制動力矩的目的。當控制電壓增加時,系統油壓升高,制動器開閘;當控制電壓減小時,制動系統油壓下降,制動器合閘;當控制電壓減小至零時,制動系統的油壓很低,降為殘壓,提升機處于完全制動狀態。
1.2.2 安全制動
礦井提升系統發生故障時,提升機需要實現緊急制動。此時,電動機 3.1、比例溢流閥 5.1 的比例電磁鐵,以及電磁鐵 G3、G4、G7 斷電,盤式制動器油壓降為溢流閥 8 的調定壓力 p1級 值,即第 一 級制動油壓值;保壓至時間繼電器動作時,電磁鐵 G5、G6斷電,油壓降到零,實現全制動。在延時過程中,蓄能器 10 起穩壓補油作用,調節單向節流閥 9 的開度可調節其補油速度,使延時過程中 p1級 值基本穩定在要求值。